Overview

This guide goes through the steps we used to replace the brake pads on a 1987 Ferrari Testarossa. Our car had the OEM ATE pads, which had not been replaced in a while. Prior to replacing the pads, our braking performance was moderate - if we tried to brake in haste, the car would slow down, but nothing like a modern car. After replacing the pads and brake fluid, we are able to lock up the wheels under hard braking. These pads have totally transformed the driving characteristic of the car - we can confidently drive "spiritedly" on curvy back roads! We went with the Porterfield R4-S compound based on the recommendations of other Testarossa owners for being an excellent compound for spirited driving on the road and some track use. Given how much these pads transformed the car, we would definitely recommend to other owners.

Ideally, when replacing the brake pads, it would be best to either resurface the rotors with a brake lathe or replace the rotors if they are too warn. Our rotors were replaced a few years ago by the prior owner, but barely driven, so we only lightly sanded/scuffed the rotors. After replacing the brake pads, it is also good to flush the brake fluid at the same time. We flushed the brake fluid after replacing the pads - the guide can be found here.

We also found that there seems to be three scenarios for the pins holding the brake pads in place. Each of these scenarios are described in Step 4. Depending on the scenario, you may need to remove the caliper and possibly the rear sway bar to gain access to the brake pad pins.



Parts Used

Part Quantity Part No. Links to ones we used
Front Brake Pads 1 1 Set Porterfield AP82 R4-S LPI Racing
Rear Brake Pads 1 1 Set Porterfield AP32 R4-S LPI Racing
Brake Parts Cleaner 1 - 2 Chlorine-Free Brake Parts Cleaner Amazon
Brake Parts Lubricant 1 Permatex 24125 Ceramic Extreme Brake Parts Lubricant Amazon

1There are a multitude of brake pads that fit the Testarossa. We chose these because of the numerous recommendations we found from other Testarossa owners. These have positively transformed the braking performance of our car!



Tools Used

Tool Link
Quick Jack BL-5000XL portable lift Amazon
Jack Stands Amazon
Large Oil Pan Amazon
19 mm 6-Point Socket, 3/8" Drive 2 Amazon
11 mm Flare Nut Wrench Amazon
3/8" Drive Ratchet Amazon
3/8" Drive Torque Wrench Amazon
5/32" (3.969 mm) Punch Amazon
Dead Blow Hammer (2 lbs) Amazon
Digital Caliper Amazon
Blade Feeler Gauge Amazon


Tools used for a Ferrari Testarossa brake pad replacement

2 We purchased the 299 piece socket set from Craftsman a while ago. We became tired of purchasing smaller sets and always missing the socket sizes in between - they get you in an endless loop of buying small sets!



Procedure Used


1. First, we lifted the car off the ground - enough for us to easily remove the wheels and work on the calipers. We used a QuickJack along with a few jack stands to be on the safe side while under the car. Ferrari Testarossa on the QuickJack BL-5000XL portable lift
2. Following the method outlined in our single wheel nut guide, we removed all four wheels. If your car is a model year 1988.5 or later, loosen and remove the 5 lug nuts to remove the wheels. Ferrari Testarossa wheel removal
3. Next, we cleaned in and around the brake calipers with an all purpose cleaner to remove the big pieces of road grime. Then, we used brake cleaner to remove most of the brake dust build up.
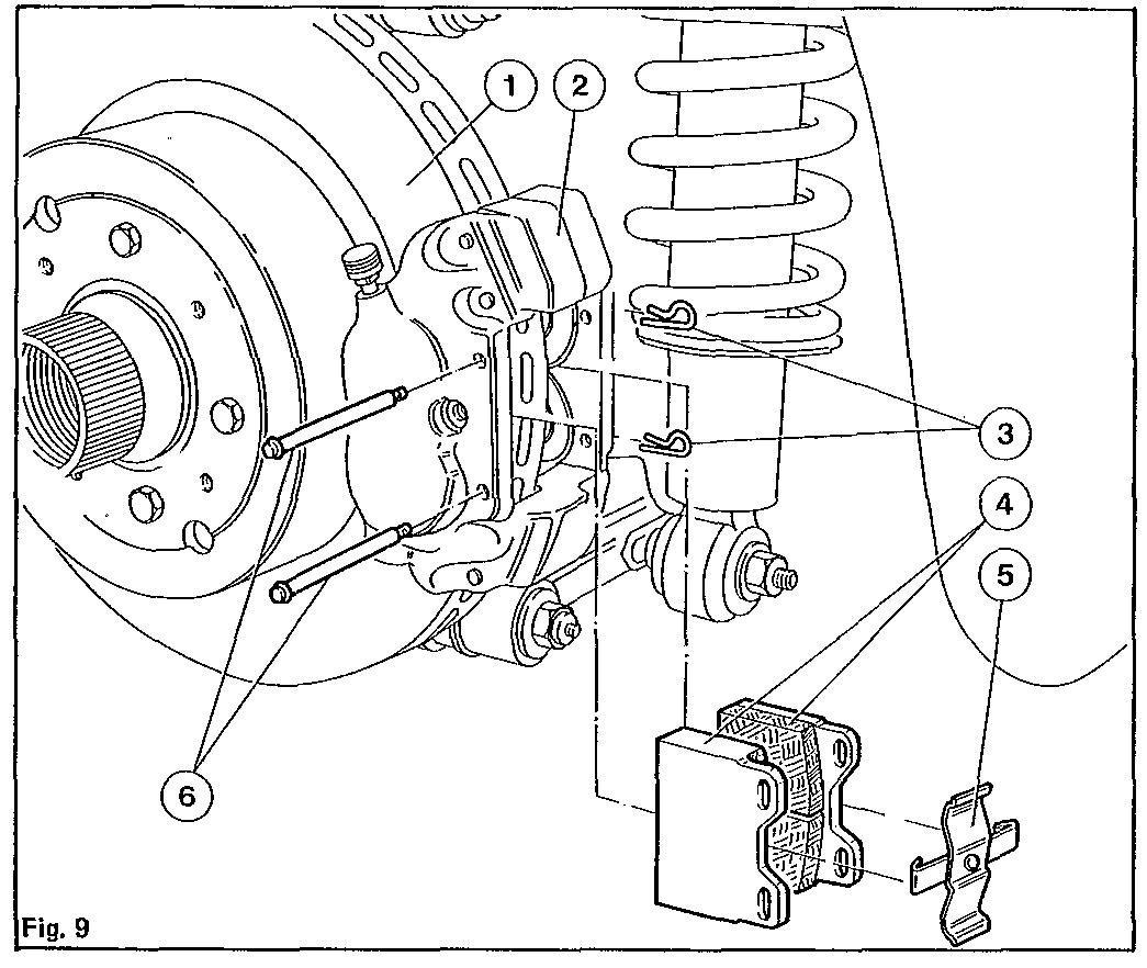
4. To remove the pads, we have to remove the two pins holding the pads in place. To remove these pins, there seems to be 3 scenarios.
Scenario 1: Clevis and hairpin cotter pins (early model Testarossas). In this case, simply pull the hairpin cotter and clevis pins out from the caliper. Ferrari Testarossa wheel removal
Scenario 2: In this case, the pins are friction fit. To remove these pins, they are pushed inward towards the car and the caliper does NOT need to be removed. We removed these pins with a 5/32" punch and a dead blow hammer (2 lbs). Ferrari Testarossa wheel removal
Scenario 3: Just as in Scenario 2, the pins are friction fit; however, in the opposite direction. To remove, the pins are pushed outward from the car and the caliper will most likely need to be removed. Ferrari Testarossa wheel removal
Scenario 3:(a) To remove the calipers, first we used a 19 mm socket to loosen the two caliper bolts. At this point, we did NOT remove the top caliper bolt, only remove the lower bolt. This held the caliper in place until the brake fluid line was disconnected. NOTE: there are a few small shims/washers on the caliper bolts, be sure to note the quantity and locations. These are used to center the caliper on the rotor.
Ferrari Testarossa wheel removal Ferrari Testarossa wheel removal
Scenario 3: (b) Using an 11 mm flare nut wrench to disconnect the brake fluid line, we removed the brake fluid line and immediately placed a small rubber cap over the brake line to prevent brake fluid from spilling and damaging the paint. Next, we removed the top caliper mounting bolt to remove the caliper from the car. Ferrari Testarossa wheel removal
Scenario 3: (c) With the caliper removed, the caliper was placed on some cardboard on a sturdy surface. Just as in Scenario 2., the pins were removed using the 5/32" punch and a dead blow hammer (2 lbs). Ferrari Testarossa wheel removal
5. After the pins were loosened, the pins and the spring bridge clip were full removed. Ferrari Testarossa wheel removal
6. With the brake fluid reservoir tank open (under the front bonnet, in front of the driver's side), we manually pushed the old pads against the caliper pistons to make room for the new pads. It may be necessary to use a large C-clamp to push the pistons back.
7. Finally, the old pads were removed by pulling them out of the caliper, away from the center of the rotor. There are "vibration-damping plates" for each of the pads that should also be removed. Ferrari Testarossa wheel removal
8. With all of the parts out of the caliper, we throughly cleaned them with all purpose cleaner and brake cleaner. Ferrari Testarossa wheel removal
9. To start installing the new pads, we applied brake lubricant to the back of the pads, the corners of the pads that come in contact with the caliper, "vibration-damping plates," and a little bit of lube to the pins, which will help the pads slide when in use. Be mindful not to allow any brake lubricant on any of the friction surfaces (i.e. rotors and brake pad surface). Ferrari Testarossa wheel removal
10. If the caliper was removed, we installed the caliper with the two caliper mounting bolts. Using the 19 mm socket and 3/8" drive torque wrench, the caliper bolts were tightened to 72 lbs ∙ ft. The brake fluid line was also re-installed using the 11 mm flare nut wrench. Ferrari Testarossa wheel removal
11. Unlike modern vehicles, the rotors do not "float" or self-center. Therefore, the calipers have to be manually centered on the rotor, using shims between the caliper and mounting bracket through the caliper mounting bolts. We used a combination of a digital caliper and a blade feeler gauge to insure that the caliper was centered. Ferrari states the tolerance of center is ± 0.3 mm [4].
12. If the caliper is not centered, remove the caliper via the two caliper mounting bolts with a 19 mm socket. Add or remove shims on the caliper mounting bolts as needed. Tighten the caliper mounting bolts to 72 lbs ∙ ft with the 3/8" drive torque wrench.
13. The spring clip and pins were re-installed by pushing the pins in the opposite direction of removal. For the friction fit pins, the 5/32" punch and dead blow hammer (2 lbs) were used to properly insert the pins all the way. Ferrari Testarossa wheel removal
14. We repeated Steps 2. - 13. on the rest of the brake calipers in which the brake pads were being replaced. For us, we replaced the pads on all four calipers. Brake pads should, at the minimum, be replaced in pairs - i.e. the front pads or the rear pads.
15. Following the method outlined in our brake fluid flush guide, we flushed the brake fluid on all of the calipers and clutch. Ferrari Testarossa brake fluid flush
16. Following the method outlined in our single wheel nut guide, we re-installed all four wheels. If your car is a model year 1988.5 or later, re-install the 5 lug nuts and tighten to 78 lbs ∙ ft. Ferrari Testarossa wheel removal
17. With the new brake pads installed, we then bedded the brakes, following the process below. NOTE: this process is for the Porterfield R4-S compound brake pads. Other brake pads may require a different bedding process. Be sure to find a clear and safe area to perform this process.
A. From a speed of roughly 60 MPH, gently apply the brakes to slow down to roughly 45 MPH and then accelerate back to 60 MPH. Repeat this process five times.
B. With some heat now in the brakes from the previous step, From a speed of roughly 60 MPH, apply the brakes hard (just shy of locking up the wheels) to bring the car to about 10 MPH and then accelerating back to roughly 60 MPH. Repeat this 8 - 10 times. Be sure not to allow the car to a complete stop - this may cause pad material to imprint on the rotor. By the 7th or 8th time, the brakes may begin to fade, smell and probably smoke - this is expected and normal.
C. After completing the final "stop," drive around for roughly 10 minutes while trying NOT to use the brakes as much as possible. This is done to allow the brakes to cool.
D. After completing this cycle, a second bedding cycle may be needed - especially if the brakes begin to fade during the next use. For us, we did not need to do a second cycle.

References


  1. Ferrari S.p.A. Spare Parts Catalogue - Testarossa. Ferrari S.p.A., 1990.
  2. Ferrari S.p.A. Owner's Manual - Testarossa U.S. Version 1987 Models. Ferrari S.p.A., 1987.
  3. Ferrari S.p.A. Owner's Manual - Testarossa U.S. Version 1985/85 Models. Ferrari S.p.A., 1985.
  4. Ferrari S.p.A. Workshop Manual - Testarossa. Ferrari S.p.A., 1984.